不銹鋼魚鱗片型防塵套

不銹鋼魚鱗片型防塵套
不銹鋼魚鱗片型防塵套

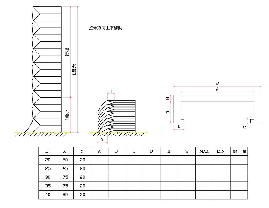
材質:高級合成皮、尼龍耐熱布、耐熱橡膠......等多項材質、於防塵套上方表面加SUS304不銹鋼板片可防鐵屑、耐溫佳

功能:本產品適用於各式機械滑軌設備。如鐵屑類之防護作用,防塵材質強軔.耐高溫壽命長,可防塵、防油、防水、耐酸鹼......等

本產品屬訂製品,寬度及長度可依設備需求製作。
摺高H有:20.25.30.35.40mm.........等多項規格。

訂購時應註明項目

H X Y A B C D H W Lmax Lmin 數量